Unit Masukan dan Keluaran
Unit Input/Output (I/O) adalah bagian dari sistem mikroprosesor yang digunakan oleh mikroprosesor itu untuk berhubungan dengan dunia luar.
Unit input adalah unit luar yang digunakan untuk memasukkan data dari luar ke dalam mikroprosesor ini, contohnya data yang berasal dari keyboard atau mouse. Sementara unit output biasanya digunakan untuk menampilkan data, atau dengan kata lain untuk menangkap data yang dikirimkan oleh mikroprosesor, contohnya data yang akan ditampilkan pada layar monitor atau printer.
Bagian input (masukan) dan juga keluaran (output) ini juga memerlukan sinyal kontrol, antara lain untuk baca I/O (Input/Ouput Read [IOR]) dan untuk tulis I/O (Input/Output Write [IOW]).
Sistem komputer memiliki tiga komponen utama, yaitu:
CPU, memori (primer dan sekunder), dan peralatan masukan/keluaran (I/O devices) seperti printer, monitor, keyboard, mouse, dan modem. Pada bab ini dijelaskan tentang peralatan atau modul I/O.
CPU, memori (primer dan sekunder), dan peralatan masukan/keluaran (I/O devices) seperti printer, monitor, keyboard, mouse, dan modem. Pada bab ini dijelaskan tentang peralatan atau modul I/O.
Modul I/O merupakan peralatan antarmuka (interface) bagi sistem bus atau switch sentral dan mengontrol satu atau lebih perangkat peripheral. Modul I/O tidak hanya sekedar modul penghubung, tetapi sebuah piranti yang berisi logika dalam melakukan fungsi komunikasi antara peripheral dan bus komputer.
Ada beberapa alasan kenapa piranti – piranti tidak langsung dihubungkan dengan bus sistem komputer, yaitu :
• Bervariasinya metode operasi piranti peripheral, sehingga tidak praktis apabila sistem komputer herus menangani berbagai macam sisem operasi piranti peripheral tersebut.
• Kecepatan transfer data piranti peripheral umumnya lebih lambat dari pada laju transfer data pada CPU maupun memori.
• Format data dan panjang data pada piranti peripheral seringkali berbeda dengan CPU, sehingga perlu modul untuk menselaraskannya.
Dari beberapa alasan diatas, modul I/O memiliki dua buah fungsi utama, yaitu :
1. Sebagai piranti antarmuka ke CPU dan memori melalui bus sistem.
2. Sebagai piranti antarmuka dengan peralatan peripheral lainnya dengan menggunakan link data tertentu.
6.1 Sistem Masukan & Keluaran Komputer
Bagaimana modul I/O dapat menjalankan tugasnya, yaitu menjembatani CPU dan memori dengan dunia luar merupakan hal yang terpenting untuk kita ketahui. Inti mempelajari sistem I/O suatu komputer adalah mengetahui fungsi dan struktur modul I/O. Perhatikan gambar 6.1 yang menyajikan model generik modul I/O.
Gambar 6.1 Model generik dari suatu modul I/O
6.1.1 Fungsi Modul I/O
Modul I/O adalah suatu komponen dalam sistem komputer yang bertanggung jawab atas pengontrolan sebuah perangkat luar atau lebih dan bertanggung jawab pula dalam pertukaran data antara perangkat luar tersebut dengan memori utama ataupun dengan register – register CPU.
Dalam mewujudkan hal ini, diperlukan antarmuka internal dengan komputer (CPU dan memori utama) dan antarmuka dengan perangkat eksternalnya untuk menjalankan fungsi – fungsi pengontrolan.
Fungsi dalam menjalankan tugas bagi modul I/O dapat dibagi menjadi beberapa katagori, yaitu:
• Kontrol dan pewaktuan.
• Komunikasi CPU.
• Komunikasi perangkat eksternal.
• Pem-buffer-an data.
• Deteksi kesalahan.
Fungsi kontrol dan pewaktuan (control & timing) merupakan hal yang penting untuk mensinkronkan kerja masing – masing komponen penyusun komputer. Dalam sekali waktu CPU berkomunikasi dengan satu atau lebih perangkat dengan pola tidak menentu dan kecepatan transfer komunikasi data yang beragam, baik dengan perangkat internal seperti register–register, memori utama, memori sekunder, perangkat peripheral.
Proses tersebut bisa berjalan apabila ada fungsi kontrol dan pewaktuan yang mengatur sistem secara keseluruhan. Contoh kontrol pemindahan data dari peripheral ke CPU melalui sebuah modul I/O dapat meliputi langkah – langkah berikut ini :
1) Permintaan dan pemeriksaan status perangkat dari CPU ke modul I/O.
2) Modul I/O memberi jawaban atas permintaan CPU.
3) Apabila perangkat eksternal telah siap untuk transfer data, maka CPU akan mengirimkan perintah ke modul I/O.
4) Modul I/O akan menerima paket data dengan panjang tertentu dari peripheral.
5) Selanjutnya data dikirim ke CPU setelah diadakan sinkronisasi panjang data dan kecepatan transfer oleh modul I/O sehingga paket – paket data dapat diterima CPU dengan baik.
Transfer data tidak akan lepas dari penggunaan sistem bus, maka interaksi CPU dan modul I/O akan melibatkan kontrol dan pewaktuan sebuah arbitrasi bus atau lebih.
Adapun fungsi komunikasi antara CPU dan modul I/O meliputi proses – proses berikut :
• Command Decoding, yaitu modul I/O menerima perintah – perintah dari CPU yang dikirimkan sebagai sinyal bagi bus kontrol. Misalnya, sebuah modul I/O untuk disk dapat menerima perintah: Read sector, Scan record ID, Format disk.
• Data, pertukaran data antara CPU dan modul I/O melalui bus data.
• Status Reporting, yaitu pelaporan kondisi status modul I/O maupun perangkat peripheral, umumnya berupa status kondisi Busy atau Ready. Juga status bermacam – macam kondisi kesalahan (error).
• Address Recognition, bahwa peralatan atau komponen penyusun komputer dapat dihubungi atau dipanggil maka harus memiliki alamat yang unik, begitu pula pada perangkat peripheral, sehingga setiap modul I/O harus mengetahui alamat peripheral yang dikontrolnya.
Pada sisi modul I/O ke perangkat peripheral juga terdapat komunikasi yang meliputi komunikasi data, kontrol maupun status. Perhatikan gambar 6.2 berikut.
Fungsi selanjutnya adalah buffering. Tujuan utama buffering adalah mendapatkan penyesuaian data sehubungan perbedaan laju transfer data dari perangkat peripheral dengan kecepatan pengolahan pada CPU. Umumnya laju transfer data dari perangkat peripheral lebih lambat dari kecepatan CPU maupun media penyimpan.
Fungsi terakhir adalah deteksi kesalahan. Apabila pada perangkat peripheral terdapat masalah sehingga proses tidak dapat dijalankan, maka modul I/O akan melaporkan kesalahan tersebut. Misal informasi kesalahan pada peripheral printer seperti: kertas tergulung, tinta habis, kertas habis, dan lain – lain. Teknik yang umum untuk deteksi kesalahan adalah penggunaan bit paritas.
6.1.2 Struktur Modul I/O
Terdapat berbagai macam modul I/O seiring perkembangan komputer itu sendiri, contoh yang sederhana dan fleksibel adalah Intel 8255A yang sering disebut PPI (Programmable Peripheral Interface). Bagaimanapun kompleksitas suatu modul I/O, terdapat kemiripan struktur, seperti terlihat pada gambar 6.3.
Antarmuka modul I/O ke CPU melalui bus sistem komputer terdapat tiga saluran, yaitu saluran data, saluran alamat dan saluran kontrol. Bagian terpenting adalah blok logika I/O yang berhubungan dengan semua peralatan antarmuka peripheral, terdapat fungsi pengaturan dan switching pada blok ini.
6.2 Teknik Masukan/Keluaran
Terdapat tiga buah teknik dalam operasi I/O, yaitu: I/O terprogram, interrupt – driven I/O, dan DMA (Direct Memory Access). Ketiganya memiliki keunggulan maupun kelemahan, yang penggunaannya disesuaikan sesuai unjuk kerja masing – masing teknik.
6.2.1 I/O Terprogram
Pada I/O terprogram, data saling dipertukarkan antara CPU dan modul I/O. CPU mengeksekusi program yang memberikan operasi I/O kepada CPU secara langsung, seperti pemindahan data, pengiriman perintah baca maupun tulis, dan monitoring perangkat.
Kelemahan teknik ini adalah CPU akan menunggu sampai operasi I/O selesai dilakukan modul I/O sehingga akan membuang waktu, apalagi CPU lebih cepat proses operasinya.
Dalam teknik ini, modul I/O tidak dapat melakukan interupsi kepada CPU terhadap proses – proses yang diinteruksikan padanya. Seluruh proses merupakan tanggung jawab CPU sampai operasi lengkap dilaksanakan.
Untuk melaksanakan perintah – perintah I/O, CPU akan mengeluarkan sebuah alamat bagi modul I/O dan perangkat peripheralnya sehingga terspesifikasi secara khusus dan sebuah perintah I/O yang akan dilakukan.
Terdapat empat klasifikasi perintah I/O, yaitu:
1. Perintah control.
Perintah ini digunkan untuk mengaktivasi perangkat peripheral dan memberitahukan tugas yang diperintahkan padanya.
2. Perintah test.
Perintah ini digunakan CPU untuk menguji berbagai kondisi status modul I/O dan peripheralnya. CPU perlu mengetahui perangkat peripheralnya dalam keadaan aktif dan siap digunakan, juga untuk mengetahui operasi – operasi I/O yang dijalankan serta mendeteksi kesalahannya.
3. Perintah read.
Perintah pada modul I/O untuk mengambil suatu paket data kemudian menaruh dalam buffer internal. Proses selanjutnya paket data dikirim melalui bus data setelah terjadi sinkronisasi data maupun kecepatan transfernya.
4. Perintah write.
Perintah ini kebalikan dari read. CPU memerintahkan modul I/O untuk mengambil data dari bus data untuk diberikan pada perangkat peripheral tujuan data tersebut.
Dalam teknik I/O terprogram, terdapat dua macam inplementasi perintah I/O yang tertuang dalam
instruksi I/O, yaitu: memory-mapped I/O dan isolated I/O.
instruksi I/O, yaitu: memory-mapped I/O dan isolated I/O.
Dalam memory-mapped I/O, terdapat ruang tunggal untuk lokasi memori dan perangkat I/O. CPU memperlakukan register status dan register data modul I/O sebagai lokasi memori dan menggunakan instruksi mesin yang sama untuk mengakses baik memori maupun perangkat I/O. Konskuensinya adalah diperlukan saluran tunggal untuk pembacaan dan saluran tunggal untuk penulisan. Keuntungan memory-mapped I/O adalah efisien dalam pemrograman, namun memakan banyak ruang memori alamat.
Dalam teknik isolated I/O, dilakukan pemisahan ruang pengalamatan bagi memori dan ruang pengalamatan bagi I/O. Dengan teknik ini diperlukan bus yang dilengkapi dengan saluran pembacaan dan penulisan memori ditambah saluran perintah output. Keuntungan isolated I/O adalah sedikitnya instruksi I/O.
6.2.2 Interrupt – Driven I/O
Teknik interrupt – driven I/O memungkinkan proses tidak membuang – buang waktu. Prosesnya adalah CPU mengeluarkan perintah I/O pada modul I/O, bersamaan perintah I/O dijalankan modul I/O maka CPU akan melakukan eksekusi perintah – perintah lainnya. Apabila modul I/O telah selesai menjalankan instruksi yang diberikan padanya akan melakukan interupsi pada CPU bahwa tugasnya telah selesai.
Dalam teknik ini kendali perintah masih menjadi tanggung jawab CPU, baik pengambilan perintah dari memori maupun pelaksanaan isi perintah tersebut. Terdapat selangkah kemajuan dari teknik sebelumnya, yaitu CPU melakukan multitasking beberapa perintah sekaligus sehingga tidak ada waktu tunggu bagi CPU.
Cara kerja teknik interupsi di sisi modul I/O adalah modul I/O menerima perintah, misal read. Kemudian modul I/O melaksanakan perintah pembacaan dari peripheral dan meletakkan paket data ke register data modul I/O, selanjutnya modul mengeluarkan sinyal interupsi ke CPU melalui saluran kontrol. Kemudian modul menunggu datanya diminta CPU. Saat permintaan terjadi, modul meletakkan data pada bus data dan modul siap menerima perintah selanjutnya.
Pengolahan interupsi saat perangkat I/O telah menyelesaikan sebuah operasi I/O adalah sebagai berikut:
1. Perangkat I/O akan mengirimkan sinyal interupsi ke CPU.
2. CPU menyelesaikan operasi yang sedang dijalankannya kemudian merespon interupsi.
3. CPU memeriksa interupsi tersebut, kalau valid maka CPU akan mengirimkan sinyal acknowledgment ke perangkat I/O untuk menghentikan interupsinya.
4. CPU mempersiapkan pengontrolan transfer ke routine interupsi. Hal yang dilakukan adalah menyimpan informasi yang diperlukan untuk melanjutkan operasi yang tadi dijalankan sebelum adanya interupsi. Informasi yang diperlukan berupa:
a. Status prosesor, berisi register yang dipanggil PSW (program status word).
b. Lokasi intruksi berikutnya yang akan dieksekusi.
Informasi tersebut kemudian disimpan dalam stack pengontrol sistem.
5. Kemudian CPU akan menyimpan PC (program counter) eksekusi sebelum interupsi ke stack pengontrol bersama informasi PSW. Selanjutnya mempersiapkan PC untuk penanganan interupsi.
6. Selanjutnya CPU memproses interupsi sempai selesai.
7. Apabila pengolahan interupsi selasai, CPU akan memanggil kembali informasi yang telah disimpan pada stack pengontrol untuk meneruskan operasi sebelum interupsi.
Terdapat bermacam teknik yang digunakan CPU dalam menangani program interupsi ini, diantaranya:
• Multiple Interrupt Lines.
• Software poll.
• Daisy Chain.
• Arbitrasi bus.
Teknik yang paling sederhana adalah menggunakan saluran interupsi berjumlah banyak (Multiple Interrupt Lines) antara CPU dan modul – modul I/O. Namun tidak praktis untuk menggunakan sejumlah saluran bus atau pin CPU ke seluruh saluran interupsi modul – modul I/O.
Alternatif lainnya adalah menggunakan software poll.
Prosesnya, apabila CPU mengetahui adanya sebuah interupsi, maka CPU akan menuju ke routine layanan interupsi yang tugasnya melakukan poll seluruh modul I/O untuk menentukan modul yang melakukan interupsi.
Prosesnya, apabila CPU mengetahui adanya sebuah interupsi, maka CPU akan menuju ke routine layanan interupsi yang tugasnya melakukan poll seluruh modul I/O untuk menentukan modul yang melakukan interupsi.
Kerugian software poll adalah memerlukan waktu yang lama karena harus mengidentifikasi seluruh modul untuk mengetahui modul I/O yang melakukan interupsi.
Teknik yang lebih efisien adalah daisy chain, yang menggunakan hardware poll. Seluruh modul I/O tersambung dalam saluran interupsi CPU secara melingkar (chain). Apabila ada permintaan interupsi, maka CPU akan menjalankan sinyal acknowledge yang berjalan pada saluran interupsi sampai menjumpai modul I/O yang mengirimkan interupsi.
Teknik berikutnya adalah arbitrasi bus. Dalam metode ini, pertama – tama modul I/O memperoleh kontrol bus sebelum modul ini menggunakan saluran permintaan interupsi. Dengan demikian hanya akan terdapat sebuah modul I/O yang dapat melakukan interupsi.
Pengontrol Interrupt Intel 8259A
Intel mengeluarkan chips 8259A yang dikonfigurasikan sebagai interrupt arbiter pada mikroprosesor
Intel 8086. Intel 8259A melakukan manajemen interupsi modul – modul I/O yang tersambung padanya. Chips ini dapat diprogram untuk menentukan prioritas modul I/O yang lebih dulu ditangani CPU apabila ada permintaan interupsi yang bersamaan. Gambar 6.4 menggambarkan pemakaian pengontrol interupsi 8259A. Berikut mode – mode interupsi yang mungkin terjadi:
Intel 8086. Intel 8259A melakukan manajemen interupsi modul – modul I/O yang tersambung padanya. Chips ini dapat diprogram untuk menentukan prioritas modul I/O yang lebih dulu ditangani CPU apabila ada permintaan interupsi yang bersamaan. Gambar 6.4 menggambarkan pemakaian pengontrol interupsi 8259A. Berikut mode – mode interupsi yang mungkin terjadi:
• Fully Nested: permintaan interupsi dengan prioritas mulai 0 (IR0) hingga 7(IR7).
• Rotating: bila sebuah modul telah dilayani interupsinya akan menempati prioritas terendah.
• Special Mask: prioritas diprogram untuk modul I/O tertentu secara spesial.
Gambar 6.4 Pemakaian
pengontrol interupsi 8559A pada 8086
pengontrol interupsi 8559A pada 8086
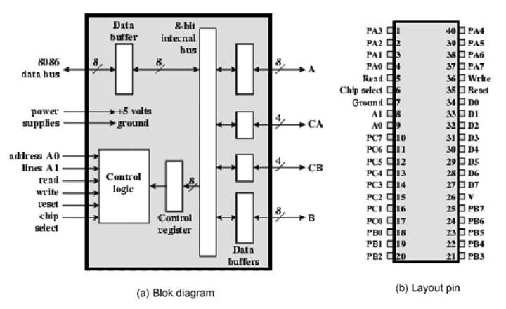
Programmable Peripheral Interface Intel 8255A
Contoh modul I/O yang menggunakan I/O terprogram dan interrupt driven I/O adalah Intel 8255A Programmable Peripheral Interface (PPI).
Intel 8255A dirancang untuk keperluan mikroprosesor 8086. Gambar 6.5 menunjukkan blok diagram Intel 8255A dan pin layout-nya.
Intel 8255A dirancang untuk keperluan mikroprosesor 8086. Gambar 6.5 menunjukkan blok diagram Intel 8255A dan pin layout-nya.
Gambar
6.5 Modul I/O 8255A
6.5 Modul I/O 8255A
Bagian kanan dari blok diagram Intel 8255A adalah 24 saluran antarmuka luar, terdiri atas 8 bit port A, 8 bit port B, 4 bit port CA dan 4 bit port CB. Saluran tersebut dapat diprogram dari mikroprosesor 8086 dengan menggunakan register kontrol untuk menentukan bermacam – macam mode operasi dan konfigurasinya. Bagian kiri blok diagram merupakan interface internal dengan mikroprosesor 8086. Saluran ini terdiri atas 8 bus data dua arah (D0 – D7), bus alamat, dan bus kontrol yang terdiri atas saluran CHIP SELECT, READ, WRITE, dan RESET.
Pengaturan mode operasi pada register kontrol dilakukan oleh mikroprosesor. Pada Mode 0, ketiga port berfungsi sebagai tiga port I/O 8 bit. Pada mode lain dapat port A dan port B sebagai port I/O 8 bit, sedangkan port C sebagai pengontrol saluran port A dan B.
PPI Intel 8255A dapat diprogram untuk mengontrol berbagai peripheral sederhana.
Gambar 6.6 memperlihatkan contoh penggunaan 8255A untuk modul I/O Keyboard dan display.
Gambar 6.6 Interface
kayboard dan display dengan Intel 8255A
kayboard dan display dengan Intel 8255A
6.2.3 Direct Memory Access (DMA)
Teknik yang dijelaskan sebelumnya yaitu I/O terprogram dan Interrupt-Driven I/O memiliki kelemahan, yaitu proses yang terjadi pada modul I/O masih melibatkan CPU secara langsung. Hal ini berimplikasi pada:
• Kelajuan transfer I/O yang tergantung pada kecepatan operasi CPU.
• Kerja CPU terganggu karena adanya interupsi secara langsung.
Bertolak dari kelemahan di atas, apalagi untuk menangani transfer data bervolume besar dikembangkan teknik yang lebih baik, dikenal dengan Direct Memory Access (DMA).
Prinsip kerja DMA adalah CPU akan mendelegasikan kerja I/O kepada DMA, CPU hanya akan terlibat pada awal proses untuk memberikan instruksi lengkap pada DMA dan akhir proses saja. Dengan demikian CPU dapat menjalankan proses lainnya tanpa banyak terganggu dengan interupsi. Blok diagram modul DMA terlihat pada gambar 6.7 berikut :
Gambar 6.7 Blok diagram DMA
Gambar
6.8 Konfigurasi modul DMA
6.8 Konfigurasi modul DMA
Dalam melaksanakan transfer data secara mandiri, DMA memerlukan pengambilalihan control bus dari CPU. Untuk itu DMA akan menggunakan bus bila CPU tidak menggunakannya atau DMA memaksa CPU untuk menghentikan sementara penggunaan bus. Teknik terakhir lebih umum digunakan, sering disebut cycle-stealing, karena modul DMA mengambil alih siklus bus.
Penghentian sementara penggunaan bus bukanlah bentuk interupsi, melainkan hanyalah penghentian
proses sesaat yang berimplikasi hanya pada kelambatan eksekusi CPU saja. Terdapat tiga buah konfigurasi modul DMA seperti yang terlihat pada gambar 6.8.
proses sesaat yang berimplikasi hanya pada kelambatan eksekusi CPU saja. Terdapat tiga buah konfigurasi modul DMA seperti yang terlihat pada gambar 6.8.
6.3 Perangkat Eksternal
Mesin komputer akan memiliki nilai apabila bisa berinteraksi dengan dunia luar. Lebih dari itu, komputer tidak akan berfungsi apabila tidak dapat berinteraksi dengan dunia luar. Ambil contoh saja, bagaimana kita bisa menginstruksikan CPU untuk melakukan suatu operasi apabila tidak ada keyboard. Bagaimana kita melihat hasil kerja sistem komputer bila tidak ada monitor. Keyboard dan monitor tergolong dalam perangkat eksternal komputer.
Perangkat eksternal atau lebih umum disebut peripheral tersambung dalam sistem CPU melalui perangat pengendalinya, yaitu modul I/O seperti telah dijelaskan sebelumnya. Lihat kembali gambar 6.2.
Secara umum perangkat eksternal diklasifikasikan menjadi 3 katagori:
• Human Readable, yaitu perangkat yang berhubungan dengan manusia sebagai pengguna komputer. Contohnya: monitor, keyboard, mouse, printer, joystick, disk drive.
• Machine readable, yaitu perangkat yang berhubungan dengan peralatan. Biasanya berupa modul sensor dan tranduser untuk monitoring dan kontrol suatu peralatan atau sistem.
• Communication, yatu perangkat yang berhubungan dengan komunikasi jarak jauh. Misalnya: NIC dan modem.
Pengklasifikasian juga bisa berdasarkan arah datanya, yaitu perangkat output, perangkat input dan kombinasi output-input. Contoh perangkat output: monitor, proyektor dan printer.
Perangkat input misalnya: keyboard, mouse, joystick, scanner, mark reader, bar code reader.
Keren, ini yg saya cari!!!..
ReplyDeleteThanks yaa :) :D #good job
glad its a help. taken from my notebook during my 1st year.. new things new learner :) not sure what had happened to the format..need to tidy up. meanwhile, pls enjoy
Delete